
La canalización externa de telecomunicaciones es una instalación básica y necesaria hoy en día, y en Exvendi no sólo nos preocupamos de su ejecución en el mínimo plazo posible, sino incluso en las mejores condiciones de seguridad, de preservación del medio ambiente, y de ocasionar las menos molestias posibles a los vecinos, además de asegurar que cuente con los parabienes de las empresas de telefonía. En cuanto al campo de las telecomunicaciones, en Exvendi instalamos y disponemos de gran variedad de arquetas prefabricadas de las mejores marcas nacionales, contando, además con la homologación de Telefónica de España para las arquetas y tapaderas de tipo M, tipo H y tipo D. Igualmente, disponemos de todo tipo de arquetas prefabricadas para registros de canalizaciones I.C.T El mundo de las telecomunicaciones ha experimentado un cambio espectacular que ha dado lugar a nueva normativa y formas de llevar los servicios de telecomunicación a cada usuario.
Si inicialmente los hogares disponían de televisión gracias a Antenas que se instalaban en los tejados, el tremendo avance de este campo, el cambio de usos de la sociedad y la nueva normativa ha provocado nuevas necesidades. Exvendi cubre todas ellas. Para organizar los múltiples servicios de telecomunicaciones que se han incorporado a nuestra vida diaria. se han producido grandes avances en el campo de la telefonía. Junto a las transmisiones de voz, y a través de las mismas líneas, se han integrado servicios de comunicación de datos de alta velocidad. Así surgió la necesidad de instalar I.C.T Las infraestructuras comunes de Telecomunicación, (i.c.t.) se crearon para que todos estos servicios llegaran a los usuarios con la mayor calidad posible y unificar las instalaciones en los edificios colectivos de viviendas y oficinas. Las ICT deben proporcionar servicios como: - Servicio de radio y televisión (RTV), las canalizaciones y arquetas ICT permiten Captar, adaptar y distribuir las señales de radio y televisión que llegan hasta el edificio, para que puedan ser interpretadas por los receptores de los usuarios. - Servicio de telefonía (TB + RDSI), las redes ICT proporcionan el acceso a los servicios de telefonía y transmisión de datos a través de la red telefónica básica (TB) o la red digital de servicios integrados (RDSI). - Servicio de comunicaciones por cable (TLCA + SAFI): las redes ICT con su correspondiente canalización y arqueta ICT de distribución proporcionan el acceso a los servicios de telecomunicaciones de banda ancha (televisión, datos, etc.), por cable (TLCA) o mediante un acceso fijo inalámbrico (SAFI)
Qué es la normativa ICT
Para dar servicio de telefonía y datos a las urbanizaciones, las infraestructuras tienen que respetar una serie de normas técnicas que garanticen la calidad de los servicios que prestan y de los que se puedan incorporar en el futuro. El marco legal que regula las ICT es el siguiente:
Según la legislación, en los edificios construidos a partir de 1998, o que hayan sido sometidos a una rehabilitación integral desde esa fecha, existe la obligación de instalar infraestructuras comunes de telecomunicaciones.
En la normativa se recogen cuestiones relacionadas con la instalación, desde los servicios que se deben distribuir a cada usuario, al número de tomas que se pueden instalar en cada vivienda.
También se contemplan criterios técnicos. Entre otros, los niveles de señal en las tomas de usuario y parámetros varios que nos permiten comprobar la calidad de los servicios.
En qué consiste un recinto ICT
Una de las principales ventajas de las ICT es que, mediante la organización del cableado de las diferentes instalaciones, facilitan que cada usuario reciba las líneas de telefonía, de radio y televisión y los servicios de banda ancha de forma ordenada.
Para llevar los servicios de telefonía, voz, datos, radio y televisión a los usuarios, los edificios deben disponer de diversos recintos ICT, donde se alojan los equipos de tratamiento y distribución de las señales y se realizan las conexiones necesarias.
Para interconectar los recintos ICT se utilizan canalizaciones, por cuyo interior discurrirán los cables y las líneas de transmisión. La canalización de telecomunicaciones pasa a ser de una importancia tremenda, y en Exvendi no sólo nos preocupamos de su ejecución en el mínimo plazo posible, sino incluso en las mejores condiciones de seguridad, de preservación del medio ambiente, y de ocasionar las menos molestias posibles a los vecinos, además de asegurar que cuente con los parabienes de las empresas de telefonía. La red de telecomunicaciones requiere de la excavación de una zanja para albergar la canalización de telecomunicaciones mediante conductos de PVC que alojarán los cables hasta acabar en una Arqueta ICT homologada que permitirá la distribución de los servicios de telefonía, televisión y datos a los distintos usuarios del edificio. Tanto las tuberías como las arquetas de ICT utilizadas por Exvendi son de la más alta calidad y cuentan con todas las homologaciones necesarias, siendo su distribuidor principal COPIMAN que es el mayor almacén de arquetas prefabricadas de hormigón, de Arquetas ICT y arquetas de telefonía, de España desde 1984.
Dónde se instalan las arquetas de ICT y/o telefonía o telecomunicaciones
Las arquetas ICT y/o las de Telefonía y Energía generalmente se instalan en las aceras de cada edificio, y requiere en general de levantamiento del pavimento, excavado de zanja o galería por la que discurrirán las tuberías que albergan los cables y posterior tapado de la zanja y reposición del pavimento. Todos estos trabajos, considerados de obra civil, son realizados por Exvendi con su propia maquinaria, con sus materiales y con personal altamente cualificado para garantizar la excelencia del servicio. Los trabajos que requiere dotar de estos servicios a los edificios inevitablemente provocan ciertas molestias a los vecinos, algo que sólo puede paliar un plazo de ejecución corto y la máxima calidad que garantice que no existan obstrucciones en la tubería que puedan retrasar la obra o provocar nuevas calas para corregirlas. Por ello ponerse en manos de Exvendi para esta importante partida de la obra civil es de especial importancia para nuestros clientes, a los que ofrecemos un servicio llave en mano gestionando incluso las licencias necesarias para la acometida de los trabajos.
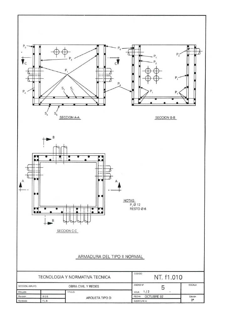
Qué dimensiones tienen las arquetas de ICT, telefonía o telecomunicaciones
Como decíamos las arquetas ICT o de telefonía generalmente se encuentran en la acera del edificio. Sus dimensiones dependen del número de usuarios de la instalación.
- Arqueta de 400 (largo) x 400(ancho) x 600 (fondo) para hasta 20 accesos de usuario.
- Arqueta de 600 (largo) x 600(ancho) x 800 (fondo) para entre 21 y 100 puntos de acceso a usuario.
- Arqueta de 800 (largo) x 700(ancho) x 820 (fondo) para más de 100 puntos de acceso a usuario




Qué profundidad tiene el Prisma de Telefonía o ICT
La profundidad mínima de la parte superior del prisma de hormigón en relación a la superficie del terreno por norma general será:
· Acera: 60 cm
· Calzada: 60 cm
· Tierra/jardín: 50 cm
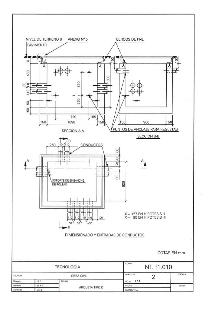
Cuántos tubos componen la canalización de ICT o telecomunicaciones que llega a la arqueta
Desde la arqueta de ICT, telefonía o Energía sale la canalización externa. Esta se halla compuesta por entre tres y seis tubos de 63 mm de diámetro, según el número de usuarios.
Esta canalización conecta con el edificio por el punto de entrada general, por donde accede a la zona común del inmueble. A través de estas canalizaciones se reciben las líneas de telefonía básica (TB) o de la red digital de servicios integrados (RDSI), que prestan servicios tanto de voz como de datos, así como las señales de televisión por cable.
Cuántos recintos de ICT o telecomunicaciones se instalan para un conjunto de edificios o viviendas tipo chalet
En Exvendi también ejecutamos instalaciónes de ICT que pueda afectar a varios edificios. Los recintos de telecomunicaciones se instalan solo en uno de ellos y las redes se distribuyen al resto a través de la canalización principal.
Otro caso particular es el de las instalaciones conjuntas para viviendas unifamiliares. Se utiliza generalmente un recinto único, situado junto al punto de montaje del sistema de antenas de televisión. La canalización principal sale de este recinto (tendida horizontalmente) hasta llegar a cada una de las casas de la urbanización.
Arqueta de entrada, uso y características
La arqueta o registro de entrada permite la interconexión entre las redes de alimentación de los servicios de telecomunicación de los distintos operadores y la infraestructura común de telecomunicaciones. De ella salen hasta la entrada general del edificio los conductos de telecomunicaciones de la red externa.
Generalmente se coloca en acera, salvo imposibilidad, en cuyo caso se habilitará un acceso en un punto limítrofe a la finca o mediante un pasamuros.